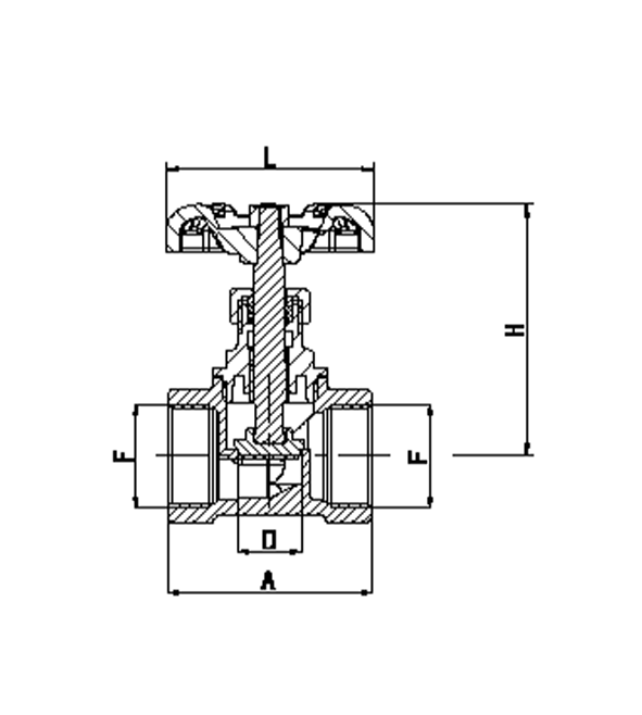
技术规范:
1.公称压⼒: PN≤1.6MPa
2.⼯作介质: ⽔、⾮腐蚀性液体
3.⼯作温度: -10℃≤t≤120℃
4.管螺纹符合IS0 228标准(GB/T7307)


技术规范:
1.公称压⼒: PN≤1.6MPa
2.⼯作介质: ⽔、⾮腐蚀性液体
3.⼯作温度: -10℃≤t≤120℃
4.管螺纹符合IS0 228标准(GB/T7307)
| DN | F | D | A | H | L |
| 15 | 1/2 | 11.5 | 44 | 60.5 | 53 |
| 20 | 3/4 | 16 | 52 | 65.5 | 53 |
| 25 | 1 | 19 | 60 | 74.5 | 59 |
| 32 | 1 1/4 | 26 | 70 | 84 | 73 |
| 40 | 1 1/2 | 30 | 75 | 96 | 87 |
| 50 | 2 | 38 | 92 | 109 | 95 |